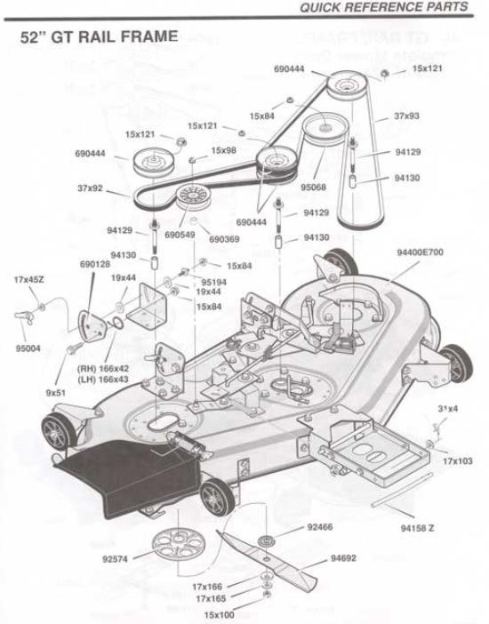
52" Murray Deck Replacement Parts
Find your part number in the diagram and then enter it in the search box
 
Search for part number here
 
Search for part number here
C-EQUIPMENT.COM
Small Engine Parts Specialists